24.06.2025, 19:54
(Dieser Beitrag wurde zuletzt bearbeitet: 24.06.2025, 20:42 von SamWhiskey.)
Jetzt hat es mein Cosmic Alien Board erwischt... 
Der Sound vom Abschuss und der Explosionen hört sich an wie aus der Gießkanne...
Nach gut 5-10 Minuten ist der Fehler dann weg und alles ist normal.
Nach kurzer Rücksprache mit SamWhiskey könnte der Fehler von IC4 kommen.
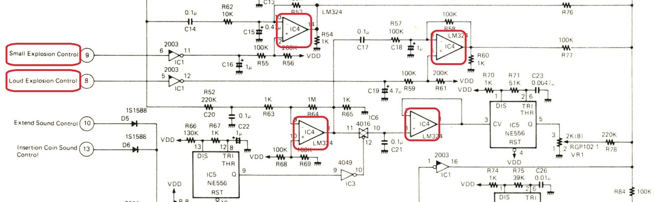
Ein Blick in den Schaltplan zeigt auch, dass IC4 für Explosionen zuständig ist. Dies ist ein LM324N
Der LM sitzt an dieser Position:
Werde mal die Tage das Cab vorziehen und den LM324N austauschen.
Dann mal sehen ob er es tatsächlich war.
Theoretisch könnte ich den ja auch mit Kältespräy testen...
oder wechselt ihr sowas auf Verdacht?

Der Sound vom Abschuss und der Explosionen hört sich an wie aus der Gießkanne...

Nach gut 5-10 Minuten ist der Fehler dann weg und alles ist normal.
Nach kurzer Rücksprache mit SamWhiskey könnte der Fehler von IC4 kommen.
Ein Blick in den Schaltplan zeigt auch, dass IC4 für Explosionen zuständig ist. Dies ist ein LM324N
Der LM sitzt an dieser Position:
Werde mal die Tage das Cab vorziehen und den LM324N austauschen.
Dann mal sehen ob er es tatsächlich war.
Theoretisch könnte ich den ja auch mit Kältespräy testen...

oder wechselt ihr sowas auf Verdacht?
(ewiger
) PCB Reparatur Lehrling
) PCB Reparatur Lehrling






