sooooo,
zeitnah wie versprochen gehts weiter hier
ich spiele ja gerne und viel "Juno First"
eines tages bemerkerte ich, das die schuss geräusche des eigenen raumschiffes fehlen.
außerdem gab es neben den analog sounds so komische "plopp" geräusche zu hören.
ok, kann ja nicht viel sein, sicher nur ne kleinigkeit, wie immer
aber die untersuchung des soundsystems der pcb zeigt ein durchaus komplexes zusammenspiel von Z80 CPU, AY38910, I8039 MCU und filterstufen.
[Bild: https://forum.pflaugis-arcade.de/galerie..._sound.jpg ]
funktionsweise:
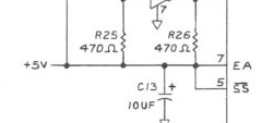
der Z80 bekommt anweisungen vom hauptprozessor (Konami 1) und versorgt den AY3 8910 sowie ein kleines sram mit daten.
die nun vom AY3 erzeugten klänge werden über 3 analoge ausgänge ausgegeben,
durchlaufen dann je eine R/C filterstufe mit 2 zuschaltbaren grenzfrequenzen.
der AY3 steuert diese R/C filter über einen port mit je 2 analogen schaltern (CD4066) an.
desweiteren erhält der AY3 auch noch daten von der 8039 MCU über einen 3-bit port,
vermutlich für die filtersteuerung.
hiermit könnten nun soundmanipulationen vorgenommen werden, um z.b. "plopp" geräusche wegzufiltern ?
[Bild: https://forum.pflaugis-arcade.de/galerie...3-8910.jpg ]
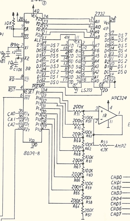
die 8039 MCU wiederum läuft relativ eigenständig und agiert hier als monophoner sample player und gibt die 8 bit digital sounds über einen port zu einem diskreten widerstandsnetzwerk (DA Wandler) aus.
[Bild: https://forum.pflaugis-arcade.de/galerie...7/MCU_.jpg ]
hierfür bedient er sich eines eigenen ROMS, welches opcodes und wellenformdaten gemischt enthält.
von 0x000 bis 0x3da siehts nach code aus, der rest sind PCM daten.
[Bild: https://forum.pflaugis-arcade.de/galerie...rom_P4.jpg ]
bei einem interrupt vom Z80 schaut die 8039 MCU in das vom Z80 beschriebene sram und holt sich dort die anweisungen für den abzuspielenden sound ab.
[Bild: https://forum.pflaugis-arcade.de/galerie...7/Z80_.jpg ]
am ende werden die 3 AY3 kanäle sowie die sounds des DA Wandlers über eine mischstufe zusammengeführt.
soweit, so gut.
wir haben analoge, aber keine digi sounds und störgeräusche.
messungen zeigen,
das die R/C filter nicht angesteuert werden und kein digi sound vom port der 8039 MCU kommt.
der reset ist HIGH und die MCU läuft mit sinnvoller aktivität auf ihrem kombinierten adress/datenbus.
aber der digi port ist tot, ebenso der 3-bit port zum AY 8910.
also die 8039 MCU tauschen.
die ausgelötete MCU wird auch sogleich von meinen sündhaft teurem ABI Elektronics "ChipMaster Compact Professional" als fehlerhaft erkannt.
BINGO
[Bild: https://forum.pflaugis-arcade.de/galerie...039_1_.jpg ]
hmm,
leider hab ich keine ersatz 8039 MCU im fundus
hier beginnt nun das drama.
diese MCU ist recht selten und wurde auch nur in wenigen arcade pcbs verwendet.
wir riskieren also einen aliexpress einkauf.
keine 6 wochen später trudeln die 5 stück 8039 hier ein........
die sehen wie geleckt aus und wurden mit sicherheit neu gelabelt und sind leider ohne Mhz angabe.
das problem hierbei ist aber genau der speedgrade,
es gibt sie in 6,8,11 Mhz
und klar, sie laufen nicht.
ABI tester sagt: alle -DEFEKT- toll.........
mit forumshilfe konnten 11 weitere MCUs verschiedener hersteller und speedgrades besorgt werden.
und wieder alle als defekt getestet,
kann doch nicht sein ???
ich beginne mich näher mit der MCU auseinander zu setzen und sehe sie ist teil einer ganzen MCU familie.
dazu gehören: 8035,8039,8049
ich studierte u.a. das:
"Grokking the MCS-48 System" buch als PDF
und https://gist.github.com/djg/395ffd5c0c6b...cb756b9ea2
nun wird einiges klarer.
die unterschiede innerhalb der MCUs sind hier das intern verbaute sram (64/128) bytes,
und ein internes / externes rom, von welchem gebootet werden kann.
das interne rom wiederum kann als FACTORY MASK oder selbst beschreibbar ausgeführt sein.
ok, eine 8049 MCU hab ich rumliegen, doch leider hat sie das interne boot rom und ist somit nicht brauchbar, oder doch.....?
das gute buch sagt,
die interne adressierung lässt sich durch ein angelegtes HIGH an PIN 7 deaktivieren und es wird dann von einem externen rom gebootet.
damit sollte doch eine 8039/8049 in einem 8035 system laufen können?
funktioniert nur leider auf der JUNO FIRST nicht
aber wie sonst testen,
welche arcade pcb verwendet sowas noch?
astro blaster, space firebird, gyruss nutzen sie.
segas Astro Blaster ist hier erstaunlich ähnlich aufgebaut wie Juno First,
und hat pin 7 auf HIGH geschaltet !
[Bild: https://forum.pflaugis-arcade.de/galerie...h_pin7.jpg ]
hier wird im adressraum klar zwischen opcodes und daten unterschieden.
es gibt ein rom mit opcodes U7 - und roms U3 bis U6 mit PCM daten.
[Bild: https://forum.pflaugis-arcade.de/galerie...Speech.jpg ]
die PCM digi sound roms beinhalten hier nur einen eingesprochenen satz, welcher auch in der demo zu hören ist.
im englischen: "Pilots to Battlestations, play Astro Blaster"
in deutsch: "Piloten auf Gefechtsstationen, spiel Astro Blaster"
nach der PCM ausgabe beschickt die MCU nur noch den speech chip ( GI SP0250 ) mit daten für die phoneme sprachausgabe im spiel.
zum glück hat man einen astro blaster (deutsch) rumliegen.
also rausgekramt und festgestellt, das lt. schaltplan eine 8035 MCU vorgesehen, aber eine 8039 MCU verbaut it.
juhu, wir haben eine testumgebung
also flugs meine MCUs durchgetestet und STAUN, sie sind ALLE ok.
d.h. der gute ABI tester hat mich belogen..........TOLL.............
die MCUs sind also in ordnung, warum zum teufel läuft die Juno First dennoch nicht...???
das ist schon ein recht komplexes sound system,
und nicht ganz so einfach nachzuvollziehen.
jedoch sind alle beteiligten ICs unauffällig in der schaltung und tun auch was sie sollen.
wir tauschen trotzdem:
srams,
latches,
bustreiber,
eprom,
AY3 8910,
Z80,
I8039,
und präventiv 3 ICs von Signetics (SA1),
natürlich ohne jede änderung..........verdammt!
erstmal keinen bock mehr.........GRRR
chillen, chillen, chillen..........
tage später noch mal vorgenommen,
eingeschaltet und -STAUN- sie läuft ohne fehler.
aber jedes weitere aus- einschalten führt wieder zum fehlerverhalten,
das muss doch zu finden sein.........
also noch mal von vorne.
der reset rückt nun wieder in den kreis der verdächtigen vor.
natürlich wurde der als erstes schon geprüft und verhält sich wiederum unauffällig.
eine zwei kanal messung mit dem oszi zeigt jedoch, das die resets der haupt CPU (Konami 1) und des sound systems leicht zeitlich versetzt auf HIGH wechseln.
das darf lt. schaltplan nicht so sein,
der reset wird auf dem CPU board generiert und auf das GFX board weitergegeben.
eine genaue inspektion dieser verbindung ergibt dann eine unterbrechung durch einen haarriss auf der GFX PCB. BAHHHHHH............
somit laufen die systeme nicht syncron.
die 8039 MCU startet etwas später und verpasst dadurch die port initialisierung durch den Z80.
d.h. sie läuft, aber der konfigurierbare digi port gibt keine daten aus.
nach wiederherstellen der verbindung läuft alles wie es soll.........ENDLICH
doch was ist nun mit den "plopp" sounds...??
die sind noch immer da, nur hört man sie nicht mehr, weil sie durch die digisounds übertönt werden und dadurch nicht aufgefallen sind.
ist also alles normal.
auch werden die R/C filter nicht genutzt, k.a. ob da mal mehr an sound geplant war....?
alles in allem habe ich die ganze zeit ein phantom gejagt und damit reichlich lebenszeit verbrannt, aber viel gelernt......
zeitnah wie versprochen gehts weiter hier

ich spiele ja gerne und viel "Juno First"
eines tages bemerkerte ich, das die schuss geräusche des eigenen raumschiffes fehlen.
außerdem gab es neben den analog sounds so komische "plopp" geräusche zu hören.
ok, kann ja nicht viel sein, sicher nur ne kleinigkeit, wie immer

aber die untersuchung des soundsystems der pcb zeigt ein durchaus komplexes zusammenspiel von Z80 CPU, AY38910, I8039 MCU und filterstufen.
[Bild: https://forum.pflaugis-arcade.de/galerie..._sound.jpg ]
funktionsweise:
der Z80 bekommt anweisungen vom hauptprozessor (Konami 1) und versorgt den AY3 8910 sowie ein kleines sram mit daten.
die nun vom AY3 erzeugten klänge werden über 3 analoge ausgänge ausgegeben,
durchlaufen dann je eine R/C filterstufe mit 2 zuschaltbaren grenzfrequenzen.
der AY3 steuert diese R/C filter über einen port mit je 2 analogen schaltern (CD4066) an.
desweiteren erhält der AY3 auch noch daten von der 8039 MCU über einen 3-bit port,
vermutlich für die filtersteuerung.
hiermit könnten nun soundmanipulationen vorgenommen werden, um z.b. "plopp" geräusche wegzufiltern ?
[Bild: https://forum.pflaugis-arcade.de/galerie...3-8910.jpg ]
die 8039 MCU wiederum läuft relativ eigenständig und agiert hier als monophoner sample player und gibt die 8 bit digital sounds über einen port zu einem diskreten widerstandsnetzwerk (DA Wandler) aus.
[Bild: https://forum.pflaugis-arcade.de/galerie...7/MCU_.jpg ]
hierfür bedient er sich eines eigenen ROMS, welches opcodes und wellenformdaten gemischt enthält.
von 0x000 bis 0x3da siehts nach code aus, der rest sind PCM daten.
[Bild: https://forum.pflaugis-arcade.de/galerie...rom_P4.jpg ]
bei einem interrupt vom Z80 schaut die 8039 MCU in das vom Z80 beschriebene sram und holt sich dort die anweisungen für den abzuspielenden sound ab.
[Bild: https://forum.pflaugis-arcade.de/galerie...7/Z80_.jpg ]
am ende werden die 3 AY3 kanäle sowie die sounds des DA Wandlers über eine mischstufe zusammengeführt.
soweit, so gut.
wir haben analoge, aber keine digi sounds und störgeräusche.
messungen zeigen,
das die R/C filter nicht angesteuert werden und kein digi sound vom port der 8039 MCU kommt.
der reset ist HIGH und die MCU läuft mit sinnvoller aktivität auf ihrem kombinierten adress/datenbus.
aber der digi port ist tot, ebenso der 3-bit port zum AY 8910.
also die 8039 MCU tauschen.
die ausgelötete MCU wird auch sogleich von meinen sündhaft teurem ABI Elektronics "ChipMaster Compact Professional" als fehlerhaft erkannt.
BINGO
[Bild: https://forum.pflaugis-arcade.de/galerie...039_1_.jpg ]
hmm,
leider hab ich keine ersatz 8039 MCU im fundus

hier beginnt nun das drama.
diese MCU ist recht selten und wurde auch nur in wenigen arcade pcbs verwendet.
wir riskieren also einen aliexpress einkauf.
keine 6 wochen später trudeln die 5 stück 8039 hier ein........
die sehen wie geleckt aus und wurden mit sicherheit neu gelabelt und sind leider ohne Mhz angabe.
das problem hierbei ist aber genau der speedgrade,
es gibt sie in 6,8,11 Mhz
und klar, sie laufen nicht.
ABI tester sagt: alle -DEFEKT- toll.........
mit forumshilfe konnten 11 weitere MCUs verschiedener hersteller und speedgrades besorgt werden.
und wieder alle als defekt getestet,
kann doch nicht sein ???
ich beginne mich näher mit der MCU auseinander zu setzen und sehe sie ist teil einer ganzen MCU familie.
dazu gehören: 8035,8039,8049
ich studierte u.a. das:
"Grokking the MCS-48 System" buch als PDF
und https://gist.github.com/djg/395ffd5c0c6b...cb756b9ea2
nun wird einiges klarer.
die unterschiede innerhalb der MCUs sind hier das intern verbaute sram (64/128) bytes,
und ein internes / externes rom, von welchem gebootet werden kann.
das interne rom wiederum kann als FACTORY MASK oder selbst beschreibbar ausgeführt sein.
ok, eine 8049 MCU hab ich rumliegen, doch leider hat sie das interne boot rom und ist somit nicht brauchbar, oder doch.....?
das gute buch sagt,
die interne adressierung lässt sich durch ein angelegtes HIGH an PIN 7 deaktivieren und es wird dann von einem externen rom gebootet.
damit sollte doch eine 8039/8049 in einem 8035 system laufen können?
funktioniert nur leider auf der JUNO FIRST nicht

aber wie sonst testen,
welche arcade pcb verwendet sowas noch?
astro blaster, space firebird, gyruss nutzen sie.
segas Astro Blaster ist hier erstaunlich ähnlich aufgebaut wie Juno First,
und hat pin 7 auf HIGH geschaltet !
[Bild: https://forum.pflaugis-arcade.de/galerie...h_pin7.jpg ]
hier wird im adressraum klar zwischen opcodes und daten unterschieden.
es gibt ein rom mit opcodes U7 - und roms U3 bis U6 mit PCM daten.
[Bild: https://forum.pflaugis-arcade.de/galerie...Speech.jpg ]
die PCM digi sound roms beinhalten hier nur einen eingesprochenen satz, welcher auch in der demo zu hören ist.
im englischen: "Pilots to Battlestations, play Astro Blaster"
in deutsch: "Piloten auf Gefechtsstationen, spiel Astro Blaster"
nach der PCM ausgabe beschickt die MCU nur noch den speech chip ( GI SP0250 ) mit daten für die phoneme sprachausgabe im spiel.
zum glück hat man einen astro blaster (deutsch) rumliegen.
also rausgekramt und festgestellt, das lt. schaltplan eine 8035 MCU vorgesehen, aber eine 8039 MCU verbaut it.
juhu, wir haben eine testumgebung
also flugs meine MCUs durchgetestet und STAUN, sie sind ALLE ok.
d.h. der gute ABI tester hat mich belogen..........TOLL.............
die MCUs sind also in ordnung, warum zum teufel läuft die Juno First dennoch nicht...???
das ist schon ein recht komplexes sound system,
und nicht ganz so einfach nachzuvollziehen.
jedoch sind alle beteiligten ICs unauffällig in der schaltung und tun auch was sie sollen.
wir tauschen trotzdem:
srams,
latches,
bustreiber,
eprom,
AY3 8910,
Z80,
I8039,
und präventiv 3 ICs von Signetics (SA1),
natürlich ohne jede änderung..........verdammt!

erstmal keinen bock mehr.........GRRR
chillen, chillen, chillen..........
tage später noch mal vorgenommen,
eingeschaltet und -STAUN- sie läuft ohne fehler.
aber jedes weitere aus- einschalten führt wieder zum fehlerverhalten,
das muss doch zu finden sein.........
also noch mal von vorne.
der reset rückt nun wieder in den kreis der verdächtigen vor.
natürlich wurde der als erstes schon geprüft und verhält sich wiederum unauffällig.
eine zwei kanal messung mit dem oszi zeigt jedoch, das die resets der haupt CPU (Konami 1) und des sound systems leicht zeitlich versetzt auf HIGH wechseln.
das darf lt. schaltplan nicht so sein,
der reset wird auf dem CPU board generiert und auf das GFX board weitergegeben.
eine genaue inspektion dieser verbindung ergibt dann eine unterbrechung durch einen haarriss auf der GFX PCB. BAHHHHHH............
somit laufen die systeme nicht syncron.
die 8039 MCU startet etwas später und verpasst dadurch die port initialisierung durch den Z80.
d.h. sie läuft, aber der konfigurierbare digi port gibt keine daten aus.
nach wiederherstellen der verbindung läuft alles wie es soll.........ENDLICH

doch was ist nun mit den "plopp" sounds...??
die sind noch immer da, nur hört man sie nicht mehr, weil sie durch die digisounds übertönt werden und dadurch nicht aufgefallen sind.
ist also alles normal.
auch werden die R/C filter nicht genutzt, k.a. ob da mal mehr an sound geplant war....?
alles in allem habe ich die ganze zeit ein phantom gejagt und damit reichlich lebenszeit verbrannt, aber viel gelernt......
Arcade-Grotten-Olm


